One of the reasons I like the smallest scale (3-1/2" track gauge) is that it is the same worldwide. One of the problems we all encounter in this Live Steam Hobby is the fact, in the larger scales, different regions have different track standards. North America has 4-3/4" guage, while most of the rest of the world is 5" for the same engines. In the big scale, it gets more confusing: Southern and Western North America (strike a curve from Detroit MI through Washington DC and you find the dividing line) uses 7-1/2" gauge, while Eastern Canada and the North East USA use the standards of the rest of the world: 7-1/4". When there is talk of changing everybody to the same standard, often raised in the Southwest USA, it is to be pointed out that there are more 7-1/4" locomotives in England than there are total 7-1/4" and 7-1/2" on the rest of the planet. We are going to have to live with it, and not travel unless we take measures to compensate.
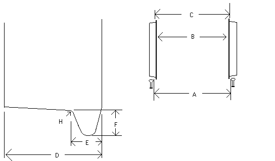
| scale | 7 1/4" | 4 3/4" | 3 1/2" | 7 1/2" |
| A Track Gauge | 7.25" +1/4" -0 | 4.75" +3/32" -0 | 3.5 +1/16" -0 | 7.5" +1/4" -0 |
| B Back-to-back of wheels | 6.875 (6.75 old) | 4.4375 | 3.281" | 7.125" |
| C Wheel Gauge | 7 3/16" | 4 11/16" | 3 15/32" | 7 7/16" |
| D Width of tire Min | 3/4" | 9/16" | 7/16" | 3/4" |
| E Flange Thickness max | 0.156" | 0.125" | 0.094" | 0.156" |
| F Flange Depth max | 0.187" | 0.156" | 0.094" | 0.187" |
| H Gauge Radius | 0.094" | 0.062" | 0.047" | 0.094" |
Tread angle is maximum 2 degrees, 50
minutes. Angles on either side of flange are ten
degrees. Flange top is filed to contour.
Let's look at how Fred Motton (or Dad as I like to call him) handled the unusual gauge problems with his McKeen and a couple of riding cars.
Back-of-tread to centreline of the axle on 7 naquarter is 3 7/16". On 7 nahalf it is 3 9/16".
For the left wheel, you split the difference and set the back-to-centreline at 3 1/2". On True Gauge, the car is offset to the right by 1/16".
The right wheel can be moved 1/4" on the axle, held in place by Circlips. Back-to-centreline varies from 3 3/8" to 3 5/8" when you lock the wheel in.
On 7 1/2" track, then, the car is offset to the left by 1/16". This offset makes no difference to the cars' performance or tracking ability, and only shows a slight problem on sharp curves if the adjacent riding car is offset the other way - making a 1/8" difference between the couplers. Turn the trucks around to solve the problem.
The McKeen has run in Florida, New Jersey, Massachusetts, Ontario and Quebec with no problems - over a dozen tracks in one twelve-month period.