TrainWeb.org Facebook Page
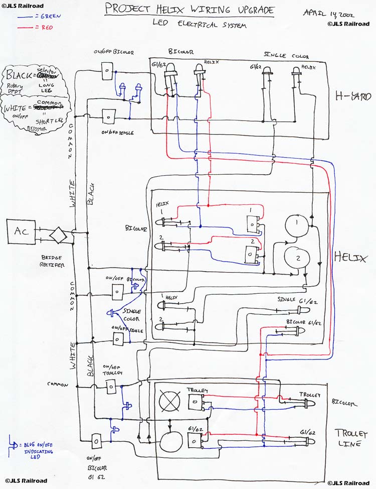
Helix Wiring Upgrade Plans: Phase 5

Helix Wiring Upgrade Plans:
Phase 5
April 14, 2002

Back to the JLS Railroad Plans Archive

The complex AC and DC electrical system developed to control the Helix, H-Yard, M-Yard, and G-Blocks as well as the readout circuitry used to protect the blocks...

 

Back to the JLS Railroad Plans Archive