TrainWeb.org Facebook Page
programs for study and working with locomotive scheme

Training programs for study a work and main principles of troubles shooting of diesel locomotives relay control circuits


One of the main part of locomotive depot technical room is the training equipment for study a work and principles of troubles shooting in locomotive electrical circuits. This equipment usually consist of the real locomotive working equipment up to whole highvoltage chamber. It allow to observe the working oder of relayes and contactors, to input and then find scheme damages and to check a knowledges of workers. Although many advantages of such educational method it has some shortcomings. They are bulky and dear, that is wy can't be changed when the locomotive type or it scheme variant are changed. As far, as locomotives become obsolete, the number of their modernizations and scheme variants are increasing. So, the using of this training equipment with effectiveness is realy impossible.
At Locomotive Department of Saint Petersburg State University for Means of Communications have been developed some soft products, which combine, in authors opinion, the functionality of real training equipment with visuality and flexibility of computer program. This training program is containing a some scheme pages of a Students are working with training programcorresponding locomotive, such as we may found in Locomotive Manual or other technical literature. But, in defference from "dead" static paper scheme, the scheme in training program is "alive" (animated). The clicking on image of knife-switch, button, breaker leads to switching corresponding part with changing of its image colore and condition (if it was breaked, now it will be coupled and the contrary). This leads to voltage supply on scheme junctions and, may be, on relaies and contactors coins. In this case their images color changes from black to red and their contacts in the scheme different parts are coupled or breaked, that caused the changes of other relaies or contactors and so on. The the method of scheme mathematical modelling, developed by authors, allow to reproduce a full work of real scheme and don't restrict the order of control elements turning and their combination. Do you forget to turn on anything, or didn't you know, that this must be turned on? The scheme will be at the same condition, that a real scheme with the same condition of control elements. Is the switching from one scheme condition to another too quick in real time and you don't have time to study the order of equipment work? Press the button "Trass" on program control pfnel and switch in trass mode working. Do you need to know the condition of prime mover and some other locomotive equipment? Press the button "Instruments" and see the instrument panel with some instruments, which measures the different parameters of prime mover, electrical transmission and auxillery equipment. Do you want to see, what would happen, if this or that defence apparatus would work? Couple the contact of according apparatus (by clicking on it image) and observe the scheme work. At last, the working of good condition scheme is clear, but it would be interesting to know, what will happen, if this...or that...or this and that electrical contacts will damage at the same time? Press the "Damages" button and switch in the set damages mode work, in which any contact may be countiniously coupled (which is the imitation of contact "welding') or continiously breaked (which is the imitation of "burnt" contact ). Then return in normal mode and observe the damaged scheme working. Do you want try to find damage, which was set in one of 40 variants? You may use a control lamp for this. Press the button with lamp image to get it. Connect one of its "crocodiles" to minus junction (by clicking on image of junction) and use other "crocodile" to check a plus junction condition. If this junction is under voltage, the lamp is lighting. You is a boss or a teacher and want to check the knowledges of your workers or students? By using a special program you may form four variants lists (up to 40 families in each of them), setting one of the 40 variants to each worker (student). He has 15 minutes to execute his variant and then the results of execution will be noticed in a special file, which may be read by the same program. All programs satisfactorily works on IBM-compatible computers in following minimal configuration:

During some years this programs are sucsessfully used:

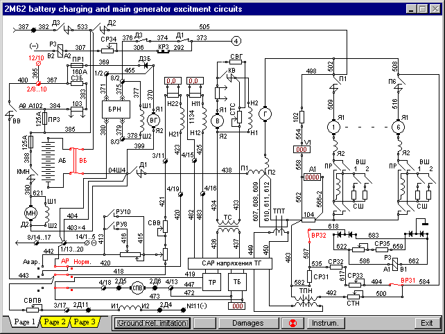
In the table you may see the screenshorts and download the demo version of training program "The scheme of 2M62 diesel locomotive control circuits". It is a Russian locomotive, which works now on Russian railways and during some years was exported to some countries of Europe and to Mongolia. Some featurs of full version are absent in demo version (specifically, the working with damages variants, with control lamp, setiing damages mode are impossible). During installation process program don't write anything to Windows Registry or System folders, that is why it can't damage your system. If you will launch program by the aid of shortcut, which is creared on Desk Top by installator, please, don't forget to write program folder path in the shortcut's "Program folder" property.
The authors are interesting in your comments and suggestions about the program. If you have them write
us.

Program name ScreenShorts DownLoad
The scheme of 2M62 diesel locomotive control circuits 2M62 battery charging and main generator excitment circuits
2M62 diesel starting circuits
2M62 moving and disel control circuits
Demo version of program:
"The scheme of 2M62 diesel locomotive control circuits" - 716 kb



to the beginig of the page

HOME