TrainWeb.org Facebook Page
Fixing flanges and frames
FIXING FLANGES and FRAMES
for Post-top luminaires electrical equipment fixing


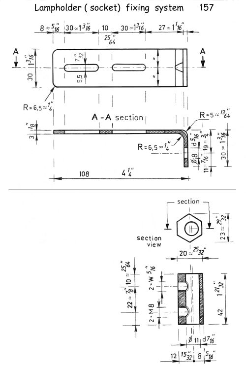
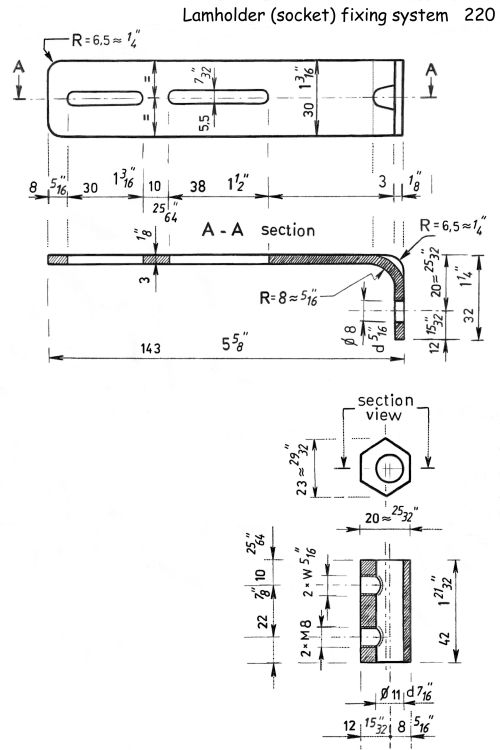
1 - Lampholder fixing flanges


This piece allows the move of lampholder for a better light distribution.

 

Top

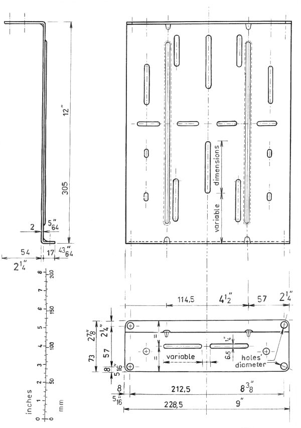
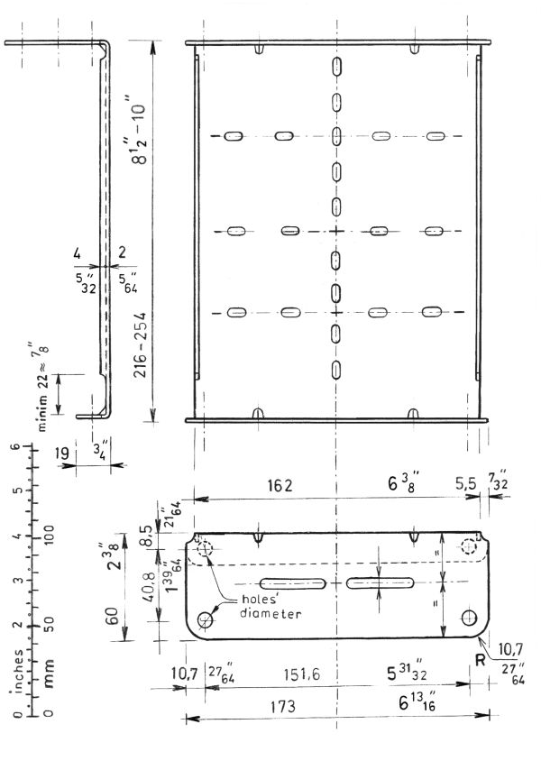
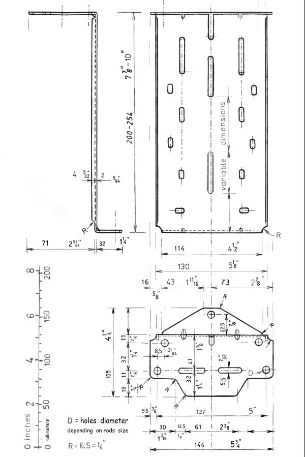
2 - Lampholder and control gear fixing frames


This piece may be punched according to the fixing holes position and size on the control gear. The circular holes' diameter will be chosen in compliance with the diameter of the rods .

Drawings contain a scale for comparing unspecified dimensions .

 

 

Top
main page