TrainWeb.org Facebook Page
Bell-Saucer Luminaires - LEE
'BELL-SAUCER' RADIAL-WAVES OVERHEAD LUMINAIRES



Assembly lateral view

Drawings exposed below may help designing this kind of luminaires starting from outside shape and dimensions.

Lampholder must be movable up and down, or 15 degree right and left, because a full-cut-off level is required for outdoor usage.

More pieces details will be available later.





CutOff ilustration




Lampshields (lampshades) of 'Bell-Saucer' Overhead Luminaires may be made as follow :


- For indoor use - coloured glass, opal glass, or frosted glass.

- For outdoor use - obscured reflected (mirror) glass, aluminium reflected plate, or other reflected materials.


The glass-shield (for outdoor use) may be mirrored on the interior surface for full reflecting of light (without any transmission), and coloured on the exterior surface (to look on day time like a coloured glass lampshade).

For the same purpose, a metallic reflector (shield, which leads to meeting the full-shielded criteria) with colour painted exterior surface (other than the luminaire’s one) may be used .

For indoor use of luminaire, the glass-shield may be made of coloured, opal or translucent, dark coloured glass, - to allow to spread a part of light toward the walls and ceiling, for “visual contrast” diminishing.



All kinds of HID (mercury, sodium, metal-halide) lamps (having "base-up" or "universal" burning positions) are very suitable. Fixing flanges are designed to join E27, E40, Medium or Mogul lampholder, or those for SOX or compact fluorescent lamps (BY22D, 2G11).




LATERAL SHAPES and GEOMETRY



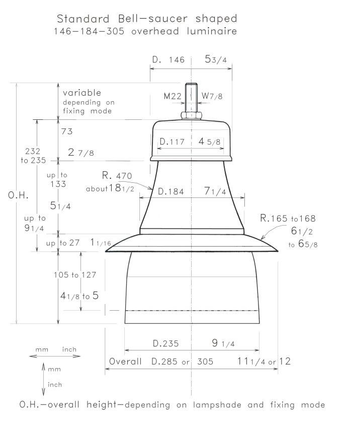
Standard "Bell-Saucer" shaped luminaires :


Suitable bulbs or lamps are the usual HID for the large and medium size of luminaires and the compact or subcompact fluorescent, or even incandescent for the small and reduced sizes.

Lamps (bulbs) must be only for unclosed fixtures and having "base-up" or universal burning position.



Top



Stylized "Bell-Saucer" shapes :


Standard stylized, Bell-Saucer large size luminaire

More pieces and details will be available later.

Stylized common Bell-Saucer shaped luminaires

More pieces and details will be available later.


Stylized high Bell-Saucer shaped luminaires

No other dimensions available for moment !

Top


Stylized narrow Bell-Saucer shaped luminaires

No other dimensions available for moment !


Stylized flat Bell-Saucer shaped luminaire

No other dimensions available for moment !

Top

 



Low power "Bell-Saucer" overhead fixtures :

- Applicable in common voltage networks, and in case of using lampholders smaller than the medium or E27 ones.


Standard "Bell-Saucer" shaped low power fixtures :

Standard enlarged "Bell-saucer" shaped overhead fixture for low power usage.


These fixtures are designed as "unclosed".

There may be overhead hanged, or on a short side-arm pole fixed.



Stylized "Bell-Saucer" shaped low power fixtures :

Stylized short "Bell-Saucer" shaped low power overhead lighting fixture.


These fixtures are designed as "unclosed".





Low-voltage "Bell-Saucer" overhead fixtures :

- Applicable for DC or AC of 24 V maximal rated voltage.


WARNING !

This kind of fixtures may use any kinds of low voltage bulbs or lamps.

In case of using automotive bulbs, or any other kind of bulbs or lamps which use a mase pole contact, a new kind of lampholder with all the contact poles insulated (isolamented) related to the fixture's mase (body parts) shall be designed.

The use of fixtures' or lamposts' body as electrical conductor is forbiden.

The lampost and the low voltage fixture must be, only, connected to the grounding electrodes network.




Standard "Bell-Saucer" shaped low-voltage fixtures :


Standard "Bell-Saucer" low-voltage overhead lighting fixture.


The most suitable mounting height is at 3 to 3,8 meters, or 10 to 12.5 feet.

All kind of low voltage bulbs, lamps or LED-s having "base-up" burning position (and for unclosed fixtures class) are suitable.



Stylized "Bell-Saucer" shaped low-voltage fixtures :

Stylized short "Bell-Saucer" shaped low-voltage overhead lighting fixture.


The most suitable mounting height is at 3 to 3,8 meters, or 10 to 12.5 feet.






Stylized common "Bell-Saucer" low-voltage overhead lighting fixture.


All kind of low voltage bulbs, lamps or LED-s having "base-up" burning position (and for unclosed fixtures class) are suitable.

Top

main page