TrainWeb.org Facebook Page
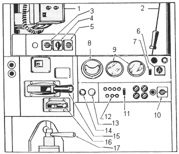
Single Control Cab Car (Detail)

SINGLE LEVEL CONTROL CAB CAR DETAIL
  1. Public Address
  2. Whistle Cord
  3. Class Lights L.H.
  4. Key Control Switch
  5. Class Lights R.H.
  6. Cab Heater
  7. Instrument Lights
  8. Speed Indicator
  9. Air Brake Gauges
  10. Headlights
  11. Cab lights
  12. Warning Lights
  13. Bell
  14. Windshield Wiper
  15. Throttle
  16. Reverser
  17. Brake Operating Lever
Cab Car Single Controls
 
| GO Cab Car Index | GO Motive Power Index |