TrainWeb.org Facebook Page
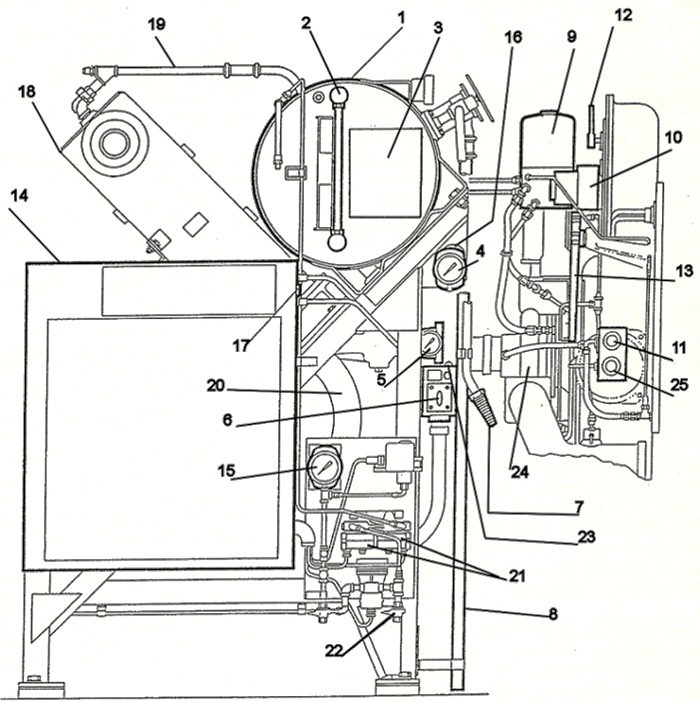
F59PH Equipment Rack
 
| F59PH Diagram/Schematic Index | GO Motive Power Index |
 
GO F59PH EQUIPMENT RACK Detail (Right Side)
Enter number between 1 & 25 for detail:
F59PH Equipment Rack

 
| F59PH Diagram/Schematic Index | GO Motive Power Index |